袋式除塵器由框架,箱體,濾袋,清灰裝置,輸灰裝置共同組成.
電除塵器是利用高壓放電、高壓集塵來達到除塵目的環保設備,放電極工作在負高電壓狀態下,放電極排的支撐及放電極振打裝置的力矩傳遞必須依靠瓷、石英等絕緣件,由于粉塵容易黏結在絕緣件表面,引起絕緣件表面高壓爬電,造成絕緣件的頻繁...
總結了濾袋破損失效的主要原因,并提出相應的解決措施,對延長濾袋使用壽命具有一定的參考價值.
布袋除塵器由濾料制成袋狀或筒狀過濾元件來捕集含塵煙氣中粉塵的除塵設備,是一種干式濾塵裝置.含塵煙氣通過濾袋外表面,粉塵被阻留在濾袋的外部,干凈氣體從濾袋的內腔流出,進入上部凈化室排出.
電除塵器除塵效率與很多因素有關,其主要影響因素分為三大類:①工況條件,②除塵器技術狀況,③運行條件.
電除塵器主要可以分為電除塵器本體,電源,控制系統,輔助系統四個系統.
旋轉電極除塵器的工作原理與傳統電除塵器一樣,仍然是依靠靜電力來收集粉塵,屬于靜電除塵技術的一種.
靜電除塵器是在高壓靜電場的作用下,使兩極(陰極和陽極)間的氣體電離,產生大量的自由電子,正負離子,從而在煙氣通過電場時使煙塵顆粒與所電離的自由電子和正負離子結合而荷電,隨后荷電粒子在電場力的作用下分別向異極電極移動.
DFE系統通過將進氣氣流引入一個沉降區巧妙地減輕濾筒的過濾負載,DFE專利的MaxPulse清灰系統的設計特別注重壓縮空氣的路徑,使壓縮空氣的能量有效地均勻分布在濾材表面.
智能分析作為平臺最重要的功能之一,需要通過時間維度上大量歷史數據和空間維度上的多類數據的整合分析結合數學模型算法,經過數據運算,從而分析出除塵器運行狀況,本文提出的智能分析區別于傳統的袋式除塵器狀態分析的核心要素之一就是...
隨著電子技術的進步,特別是集成電路防干擾性能的提高,電控脈沖噴吹技術日趨成熟并廣泛應用.
脈沖閥由閥體,閥蓋,膜片,彈簧等零件組成
防塵口罩是在高粉塵作業環境下不可或缺的防護品,為了避免口罩的浪費,從經濟循環的角度來看,清洗防塵口罩的試驗研究是非常有意義的.
目前國內直排口的除塵已經得到了高度的重視與關注,且大多數已安裝CEMS系統,實現了在線監測,而散點除塵相對來說,還不嚴格,目前的散點除塵主要為氣箱脈沖除塵,單機除塵,機械振動除塵等,它們的缺點是針對有限空間,無法適應維修...
工業VOCs的收集處理越來越受到各類工業企業的接受和重視,不僅減少對大氣的污染,更是對企業員工的操作環境和人身健康起到重要作用.
:袋式除塵器在運行過程中的各類數據,需要實時監控,傳統方式是通過以太網協議或modbusRTU協議將PLC中的所有數據傳輸至中控室工控機的組態軟件中,研究將最新的物聯網技術運用于除塵器的控制系統中,通過5G網絡,遠程診斷...
涉及大氣污染治理與干法脫硫,脫硝處理技術,能夠極大提高處理系統的反應效率,減小系統占地面積,降低系統布置難度及制作材料損耗,節省能源消耗,強化對系統運行數據的把控,提高售后檢修效率,大大促進干法或半干法脫硫,脫硝系統在我...
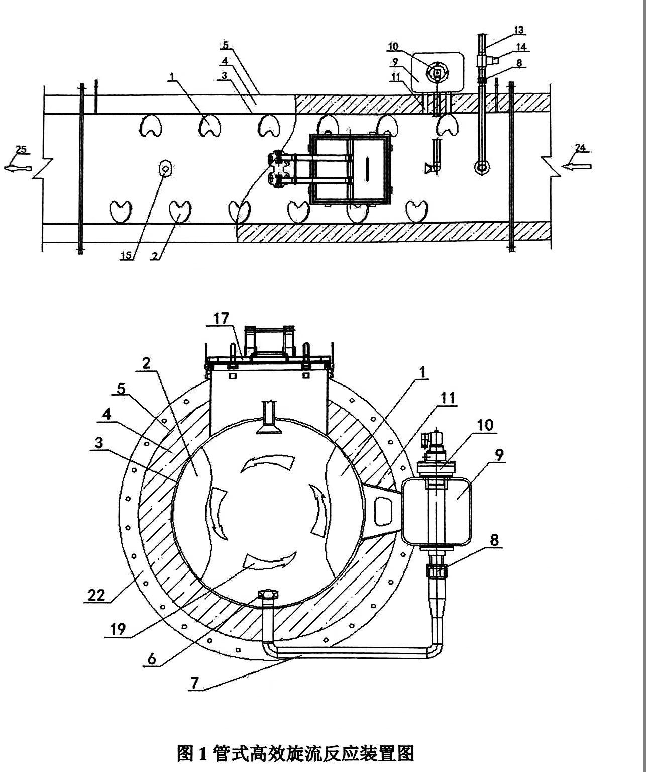
涉及大氣污染治理與干法脫硫,脫硝處理技術,是一種管式高效旋流反應裝置;該裝置的有益效果是:具有模塊式的結構設計特征,由反應裝置主體,輔助功能模塊及附屬機構構成,是一種主要應用于干法或半干法脫硫,脫硝處理系統的反應裝置,既...
用袋式除塵技術開發與應用描述:此研究提出全新的干法除塵回收技術,在滿足爐壓波動和爐溫波動范圍極小等特殊工藝要求的前提下,通過袋式除塵技術高效干法回收廢氣中有價值的二氧化硅粉體,該技術工藝流程短,回收物料效率高,顆粒物排放...
高溫超凈電袋復合除塵器是在一個箱體內緊湊安裝電場區和濾袋區,有機結合靜電除塵和過濾除塵兩種機理的一種除塵器.